IMCES Kalender "Life Beyond Vision"
Abstimmung über die Kalendermotive für 2022
Im letzten Jahr haben wir die Motivauswahl des "Life Beyond Vision" Kalenders erstmalig in die Hände aller Mitarbeiter*Innen der UDE und des UKE gelegt und wir finden, dass dies ein voller Erfolg war. Die Abstimmungsbeteiligung war viel größer als zuvor von uns erhofft und auch im Nachgang erhielten wir viel Zuspruch für diese Entscheidung.
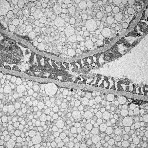
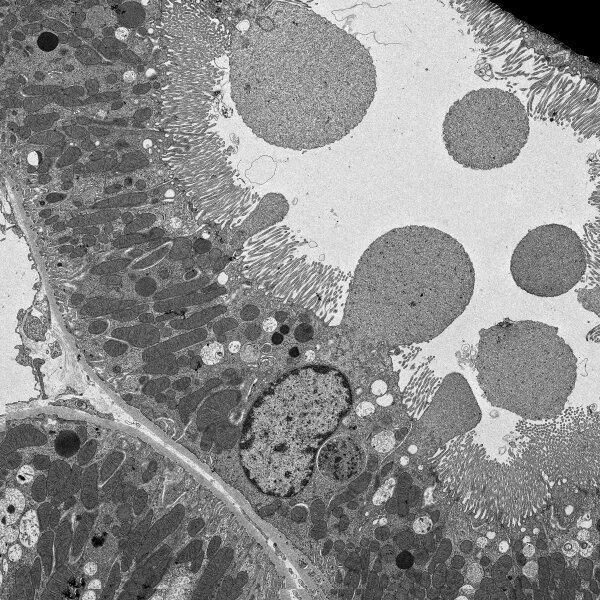
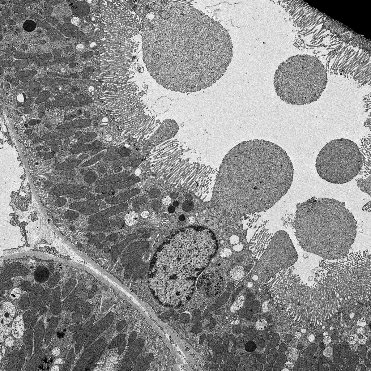
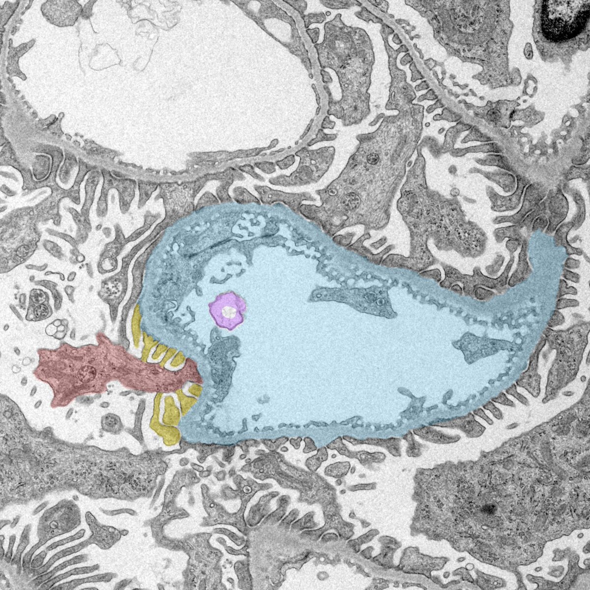
Motiviert durch dieses Ergebnis möchten wir Ihnen und Euch gerne erneut die Möglichkeit bieten, uns bei der Auswahl der Kalendermotive für den "Life Beyond Vision Kalender 2022" zu unterstützen. Die nachfolgende Abstimmung zur Ermittlung der schönsten Beiträge wird bis zum 27.08.2021 freigeschaltet sein. Uns haben dieses Jahr zahlreiche Beiträge erreicht und wir finden, dass es darunter einige spannende Kandidaten gibt. Wir sind sehr gespannt, welche Beiträge es in die Print-Ausgabe des Kalenders schaffen werden.
Bei allen Bildern handelt es sich um Eigentum der Nutzerinnen und Nutzer und/oder des IMCES. Dementsprechend untersagen wir ihre eigenmächtige Nutzung ohne vorheriges Einholen einer Einverständniserklärung.
Jetzt abstimmen
- Der Kalender wird insgesamt 13 Motivelemente enthalten: 1 Titelbild und 12 Monatsbilder. Dementsprechend möchten wir alle Teilnehmerinnen und Teilnehmer bitten, bis zu 13 Motive in dem unteren Auswahlformular anzugeben. Hierzu bitte nur die blanken Motivnummern ohne weiteren Text in die entsprechenden Felder eintragen.
- Die Reihenfolge der Motivnennung ist grundsätzlich egal. Lediglich das erste Motiv soll dem Wunsch des Titelmotivs entsprechen. Diese Wahl geht mit doppelter Wertung, also mit 2 Stimmen, in die Auswertung ein.
- Unter allen Abstimmungen werden am Ende die Motive mit den 13 meisten Nennungen ermittelt. Das Motiv mit dem höchsten Abstimmungsergebnis wird als Titelbild ausgewählt.
- Sollte sich mehr als ein Bild aus einer offensichtlichen Bildserie unter den 13 meistgewählten Motiven befinden, werden wir lediglich das Bild mit den meisten Stimmen aus dieser Serie in den Kalender übernehmen.
- Stimmberechtigt sind alle Mitarbeiterinnen und Mitarbeiter mit einer E-Mailadresse der Universität Duisburg-Essen oder des Universitätsklinikums Essen. Abstimmungen mit E-Mailadressen anderen Formats und doppelte Abstimmungen von einer E-Mailadresse werden aussortiert.
- Das finale Abstimmungsergebnis wird auf der IMCES Homepage veröffentlicht.
- Unter allen Teilnehmerinnen und Teilnehmern werden fünf "Life Beyond Vision 2022" Kalender verlost. Das Ergebnis dieser Verlosung wird ebenfalls hier bekanntgegeben.

















































