IMCES Kalender "Life Beyond Vision"
Endresultat der Motivabstimmung für das Jahr 2024
Am 06. Oktober endete die Motivabstimmung für den Life Beyond Vision Kalender 2024. Insgesamt 128 Mitarbeiter*Innen des Universitätsklinikums Essen und der Universität Duisburg/Essen haben dieses Jahr an der Abstimmung teilgenommen und dadurch die aus der grafischen Auwertung ersichtlichen 13 Kalendermotive bestimmt.
Mit 79 zu 77 Stimmen wurde dieses Jahr, mit nur sehr knappem Abstand, das Motiv #47 von Dr. Meray Serdar (AG Experimentelle perinatale Neurowissenschaften) als Titelbild vor dem Motiv #36 (aufgenommen im Rahmen des 2023er Praktikums "Moderne Mikroskopie" für die Masterstudiengänge Biologie und Med. Biologie) nominiert.
Auf den hinteren Plätzen ging es auch dieses Jahr sehr spannend zu und die Rehenfolge änderte sich mit jedem Abstimmungstag. Am Ende landeten gleich 3 Motive, mit je 41 Stimmen, auf dem 13. Platz, sodass wir 2 Motive ausschließen mussten. Bei Betrachtung des Resultats haben wir intern entschieden, dass wir das Motiv #37 (Abstimmungsplatz 10) nicht in den Kalender übernehmen werden, da es aus der gleichen Serie, wie das Motiv auf Platz 2 entstammt. Weiterhin werden wir das Motiv #40 (Abstimmungsplatz 13) nicht in den Kalender übernehmen, da es sich um das identische Motiv auf Platz 11 handelt.
Die Verlosung der 5 Kalender unter allen Teilnehmern erfolgt, sobald wir die fertigen Exemplare in unseren Händen halten werden. Das Ergebnis wird hier veröffentlicht und wir werden die entsprechenden Personen auch kontaktieren.
Wir bedanken uns für die zahlreiche Teilnahme an der Abstimmung!
Das IMCES-Team
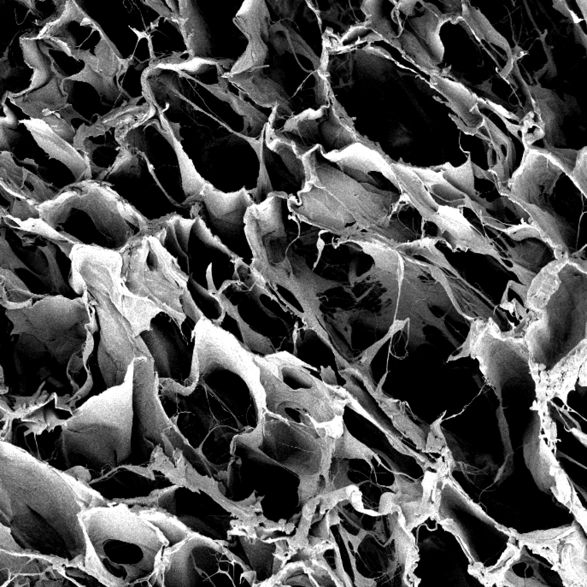
Studierendenpraktikum "Moderne Mikroskopie" Motiv #37 - 10. Platz (nicht nominiert, aufgrund der Ähnlichkeit zu Platz 2)
Wir sammeln bereits Bildbeiträge für ...














